負壓羅茨風機組成、工作原理及注意事項
負壓羅茨風機組成:
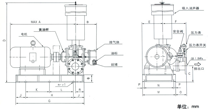
羅茨風機由:機殼、墻板、葉輪、油箱、消聲器五大部分組成。
機殼:主要起到支撐(墻板、葉輪、消聲器)和固定的作用。
墻板:主要用來連接機殼與葉輪,并支撐葉輪的旋轉,以及起到端面密封的效果。
葉輪:是羅茨風機的旋轉部分,分兩葉和三葉,但由于三葉的比兩葉的出氣脈動更小、噪聲更小、運轉更平穩等很多優點,已逐漸代替兩葉羅茨風機。
油箱:主要用于存放用來潤滑齒輪及軸承的潤滑油。
消聲器:用來減小羅茨風機的進、出時由于氣流脈動產生的噪音。

負壓羅茨風機工作原理:
羅茨風機是容積式風機的一種,有兩個三葉葉輪在由機殼和墻板密封的空間中相對轉動,由于每個葉輪都是采用漸開線,或是外擺線的包絡線,每個葉輪的三個葉片是完全相同的,同時兩個葉輪也是完全相同的,這樣就大大降低了加工難度。葉輪在加工時采用數控設備,保證了兩個葉輪在中心距不變情況下,不管兩個葉輪旋轉到什么位置,都能保持一定的極小間隙,從而保證氣體的泄露在允許范圍內。
兩個葉輪相向轉動,由于葉輪與葉輪、葉輪與機殼、葉輪與墻板之間的間隙極小,從而使進氣口形成了真空狀態,空氣在大氣壓的作用下進入進氣腔,然后,每個葉輪的其中兩個葉片與墻板、機殼構成了一個密封腔,進氣腔的空氣在葉輪轉動的過程中,被兩個葉片所形成密封腔不斷地帶到排氣腔,又因為排氣腔內的葉輪是相互嚙合的,從而把兩個葉片之間的空氣擠壓出來,這樣連續不停的運轉,空氣就不斷地從進氣口輸送到出氣口,這就是羅茨風機的整個工作過程。

負壓羅茨風機注意事項:
1、不應把風機安裝在人經常出入的場所,以防受傷和燙傷。
2、不應把風機安裝在易產生易燃、易爆及腐蝕性氣體的場所,以防火災和中毒等事故。
3、根據進排氣口方向和維修需要,基礎面四周應留有適當寬裕的空間。
4、風機安裝時,應察看地基是否牢固,表面是否平整,地基是否高出地面等。
5、風機室外配置時,應設置防雨棚。
6、風機在不大于40℃的環境溫度下可長期使用,超過40℃時,應安裝排氣扇等降溫措施,以提高風機使用壽命。
7、當輸送空氣沼氣天然氣等介質,其含塵量一般不應超過100mg/m3。
相關新聞
- 2025-12-15氣力輸送羅茨風機選型及使用注意事項
- 2025-11-28185kw羅茨風機安裝注意事項
- 2025-11-24150型高壓水冷羅茨風機準備發貨河南
- 2025-11-13160kw羅茨鼓風機安裝注意事項
- 2025-11-05160KW羅茨鼓風機型號選型







